Das Atomkraftwerk Gösgen KKG der Alpique (Geschäftsführerin) liegt auf halbem Weg zwischen den Städten Olten und Aarau in der Nähe im nördlichen Mittelland. Das AKW der 1000-Megawattklasse (1Gigawatt Klasse) 3-Loop Anlage nahm im November 1979 den kommerziellen Betrieb auf.
| Das AKW Gösgen beschäftigt rund 500 Mitarbeiter. Am AKW Gösgen-Däniken AG, welche die Anlage betreibt, sind fünf Partner beteiligt: die Alpiq AG (40%), die Axpo Power AG (25%), die Stadt Zürich (15%), die Centralschweizerischen Kraftwerke AG (CKW, 12,5%) und die Energie Wasser Bern (ewb, 7,5%). Die Geschäftsleitung liegt in den Händen der Alpiq. |
Technische Daten des AKW Gösgen (Kernkraftwerk Gösgen KKG)
| Lieferant | KWU | Eigentümer | Kernkraftwerk Gösgen-Däniken AG |
| Reaktortyp | Druckwasser DWR/PWR | Leistung el Netto | 1010 MW |
| Contaimnent | – | Leistung el Brutto | 1060 MW |
| Leistung therm | 3002 MW | Kühlmittelumwälzung | 3 Loops |
| Baubeginn | 1973. Dez. 01 | Erstmals Kritisch | 1979. Jan. 20 |
| Erstmals am Netz | 1979. Feb. 02 | Kommerzieller Start | 1979. Nov- 01 |
| Ausserbetriebnahme | ? |
Beteiligungen (2026.03.15)
Alpiq AG (40%),
Axpo Power AG (25%),
Stadt Zürich (15%),
Centralschweizerischen Kraftwerke AG (CKW, 12,5%) und
Energie Wasser Bern (ewb, 7,5%).
Die Geschäftsleitung liegt in den Händen der Alpiq.
2026 Feb: Gösgen, Risiko seit Inbetriebnahme
In der Stellungnahme der HSK (Hauptabteilung für die Sicherheit der Kernanlagen) zur Periodischen Sicherheitsüberprüfung (PSÜ) des AKW Gösgen im Jahr 1999 stellte diese folgendes fest: „Im Unterschied zu anderen Anlagen des gleichen Lieferanten werden im KKG keine gedämpften Rückschlagklappen verwendet. KKG muss den sicherheitstechnischen Nachweis erbringen, dass gedämpfte Speisewasser-Rückschlagklappen nicht erforderlich sind und diesen bis Ende 1999 der HSK vorlegen.“[1]
Erst 1999, 20 Jahre nachdem das AKW 1979 in Betrieb genommen wurde, erkannte die HSK (das heutige ENSI[2]) diesen Mangel. Danach machte sich der Betreiber des AKW Gösgen daran, die Nachweise zu erbringen. In der Stellungnahme 2012 zur PSÜ 2008 rapportierte das ENSI den Mangel als behoben: “ Aufgrund der Ergebnisse der Bewertungen hat das KKG anschliessend festgelegt, dass die am höchsten beanspruchten Stossbremsen einschliesslich Verankerungen im Speisewassersystem zu ertüchtigen sind. Nach Freigabe durch die HSK wurden acht DN 450-Rohrhalterungen in der Hauptrevision 2003 ertüchtigt, worauf die HSK die Pendenz am 26. August 2003 formell für erledigt erklärte.“
Von 1999 bis 2003 war das AKW Gösgen nochmals vier Jahre in Betrieb, obwohl klar war, dass Rohrhalterungen ertüchtigt oder gedämpfte Rückschlagklappen eingebaut werden müssten. Ansonsten könnten Druckschläge, verursacht durch das Schliessen von Rückschlagklappen, zu einem Schaden am Speisewassersystem führen, und somit wäre die Kühlung des Reaktors nicht gewährleistet.[3] Am 24. Mai 2025 wurde das AKW Gösgen für die jährlich anstehende Revision abgeschaltet. Für die Arbeiten während der Revision wurden rund 1000 externe Fachkräfte aus über 180 Firmen aus dem In- und Ausland eingesetzt, die die Mitarbeitenden des AKW Gösgen unterstützten. Am 25. Juni 2025 meldete Gösgen, dass sich die Revision des AKW verlängere.[4] Aus der Medienmitteilung: „Grund dafür ist die Erstellung und Überprüfung von Nachweisen, die mit neuen Berechnungsmethoden für das Speisewassersystem erstellt wurden. Im Rahmen der technischen Modernisierung hat das KKG den Austausch von Rückschlagklappen im Speisewassersystem vorgesehen. Diese zeigten, dass im Lastfall eines Rohrbruchs in einzelnen Bereichen des Speisewasser-Rohrleitungssystems im nicht-nuklearen Teil der Anlage Überlastungen bzw. Druckspitzen auftreten können.“ Am 22. August 2026 meldete sich Gösgen erneut zu Wort: „Es hat sich herausgestellt, dass die Nachweisführungen mehr Zeit in Anspruch nehmen und punktuelle Verstärkungsmassnahmen im Speisewassersystem erforderlich sind. Die Arbeiten werden bis zu 6 Monate in Anspruch nehmen, so dass das AKW voraussichtlich Ende Februar 2026 wieder ans Netz gehen werde. Die Wiederaufnahme der Stromproduktion erfolgt erst nach Prüfung und Freigabe durch das Ensi.“[5] Mittlerweile war das AKW also 46 Jahre mit dieser Schwachstelle betrieben worden. Laut ENSI-News vom 27.08.2025[6] wurde die Auslegungsschwachstelle dem ENSI bereits im März 2025 gemeldet. Trotz dem Wissen um den Sicherheitsmangel hat Gösgen den Reaktor von März bis April weiterbetrieben. Am 12.09.2025 meldete das ENSI erneut[7]: Grundsätzlich gibt es zwei Möglichkeiten, die genannten Überlastungen zu verhindern:
- Die Rohrleitungshalterungen werden ausreichend robust ausgeführt, um so den Druckstoss ohne Schäden aufnehmen zu können.[8]
- Gedämpfte Rückschlagklappen, die durch eine Verzögerung des Schliessvorgangs die Höhe des Druckstosses abmildern, kommen zum Einsatz.
In der Mitteilung entschuldigten sich das ENSI und Gösgen, indem darauf verwiesen wurde, dass erst neue Berechnungsmethoden den Sicherheitsmangel aufzeigten. Fakt bleibt jedoch: das AKW wurde über Jahrzehnte mit einem Sicherheitsmangel betrieben.
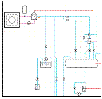
Der Druckwasserreaktor in Gösgen wurde durch die KWU erbaut; dieser verfügt über 3 Dampferzeuger. Die Dampferzeuger übertragen die Energie des Reaktorkreislaufs zum Frischdampf-Speisewasserkreislauf, welcher im Maschinenhaus die Turbinen zur Stromgewinnung antreibt; zugleich trennen sie die beiden Wasserkreisläufe. In der untenstehend schematischen Darstellung ist einer der Dampferzeuger abgebildet. Nahe dem Eintritt in den Dampferzeuger befinden sich die kritischen Rückschlagklappen (rot markiert).
In Realität besteht das Speisewassersystem jedoch aus diversen Leitungen, welche mit Ventilen, Rückschlagklappen und Pumpen versehen sind, im nachfolgenden Prinzipschema in Blau. Aus dem sogenannten Speisewassergefäss wird das Speisewasser mit Pumpen in den Dampferzeuger gepumpt. Gemäss Anfrage beim ENSI sind die Speisewasserleitungen beim Eintritt des Speisewassers in den Dampferzeuger durch die Schläge der Rückschlagklappen gefährdet. Schliessen die Rückschlagklappen, welche nahe dem Dampferzeuger installiert sind, bei einer Sicherheits- Schnellabschaltung des Reaktors kann ein Druckstoss entstehen, bei welchem die Leitungen im schlimmsten Fall abreissen könnten.

Bild: Speisewassersystem des AKW Gösgen (Prinzipschema)
Alle diese Leitungen sind mit Stossdämpfern (Im nebenstehenden Bild in Orange) installiert. Diese nehmen Druckschläge in einem Rohrleitungssystem auf und sollen diese so weit reduzieren, dass die Rohrleitungen nicht aus ihren Halterungen gerissen werden oder gar reissen. Bei einem Schlag auf die Leitung im Beispiel Gösgen durch Schliessen einer Rückschlagklappe – nimmt der flüssigkeitsgefüllte Dämpfer den Impuls auf. Erneute Berechnungen sollen nun das Funktionieren dieser Dämpfer nachweisen.
[1] https://ensi.admin.ch/de/wp-content/uploads/sites/2/2011/08/psu_kkg.pdf
[2] Eidgenössisches Nuklearsicherheitsinspektorat ENSI
[3] https://ensi.admin.ch/de/wp-content/uploads/sites/2/2012/08/psue-kkg-2008-web.pdf
[4] https://www.kkg.ch/de/uns/medienmitteilungen/jahresrevision-2025-verzoegertes-wiederanfahren.html
[5] https://www.kkg.ch/de/uns/medienmitteilungen/wiederanfahren-verzoegert-weitere-6-monate.html
[6] https://ensi.admin.ch/de/2025/08/27/laengerer-betriebsunterbruch-beim-kkw-goesgen/
[7] https://ensi.admin.ch/de/2025/09/12/beherrschung-von-bruechen-im-speisewassersystem-des-kkw-goesgen/
[8] https://www.youtube.com/watch?v=b-JV-Z3OiS8&t=584s
2019. Aug. Gösgen AKW – Brandschutz ist Geheim!
Das AKW Gösgen hat schwere Mängel im Brandschutz! Tests im Jahre 2016 zeigten: Brandschutzklappen welche die Brand- und Rauchausbreitung im Ernstfall verhindern sollten sind undicht. Das ENSi verlangte einen Bericht welcher darstellen sollte wie die ALPIQ, die Besitzerin des AKW Gösgen gedenkt die rund 500 mangelhaften Brandschutzklappen im AKW Gösgen zu ersetzen. Der Bericht wurde erst Ende 2018 eingereicht und Anfang 2019 hat das ENSI den Bericht beurteilt. Nachforschungen von Fokus Anti-Atom haben ergeben: der Bericht der Alpiq ist geheim und auch die Stellungnahme des ENSi wird nicht veröffentlicht. Alles bleibt Geheim! Der kürzlich veröffentlichte Aufsichtsbericht des ENSI lässt aufschrecken: «Von den 137 geprüften Brandschutz-klappen schlossen neun bei der Prüfung nicht vollständig.» Wieder versagen Brandschutzklappen im AKW! Das ENSI verweist darauf dass die Klappen nach einer Wartung wieder funktionierten. Da sich aber das Vorkommnis wiederholte ist davon auszugehen dass sich in einem Brandfall mehrere Klappen nicht öffnen. Dies kann dann zur Verrauchung von Räumen und zur Brandausbreitung in relevante Räume führen. Es bleibt zu hoffen, dass bis zum dereinstigen Ersatz der Brandschutzklappen im AKW Gösgen kein Brand ausbricht!
2018. Sept. AKW Gösgen im «Brenn»-punkt
Das ENSI meldet relevante Vorkommnisse in AKW auf seiner Homepage, eine Meldung betrifft das AKW Gösgen: «Befunde beim Brandschutzklappentest im Schaltanlagengebäude vom 15. Dezember 2016». Den Sachverhalt erklärt das ENSI wie folgt: «Bei einem Test von Brandschutzklappen im Schaltanlagengebäude am 15. Dezember 2016 erreichten nicht alle Klappen exakt die vorgesehene Endstellung. Dies manifestierte sich in einer fehlenden Rückmeldung der Endschalter. Der Test wurde durchgeführt, um in der Lüftungsanlage die Druck- und Strömungsbedingungen zu optimieren. Die betroffenen Klappen wurden einer Wartung unterzogen und anschliessend erfolgreich geprüft. Als Ursachen für die Befunde erkannt wurden einerseits die Druck- und Strömungsverhältnisse, andererseits aber auch erhöhte Reibung an den Klappenlagern sowie schwergängige Endschalter.» Die Meldung mutet nicht spektakulär an, dahinter verbirgt sich jedoch ein wesentliches Risiko!
Brandschutzklappen müssen die Brand- und Rauchausbreitung in den AKW Räumlichkeiten verhindern. Dabei müssen Fluchtwege für Personen und Angriffswege für die Feuerwehr sichergestellt werden. Schliessen die Brandschutzklappen nicht zuverlässig entstehen Gefahren für Personen und Anlagenteile. Wie zum Beispiel 1971 als es im Maschinenhaus des AKW Mühleberg zu einem Brand kam.
Bild: Das rechteckige Maschinenhaus im Vordergrund.
Ein Auszug aus dem Protokoll des damaligen Kraftwerkleiters Dr. H.R. Lutz:
«Das Maschinenhaus war sofort nach Brandausbruch völlig verqualmt; zudem fiel die gesamte Beleuchtung aus. Es war deshalb schwierig, den Brandherd zu lokalisieren. Nachdem von der Pforte her gemeldet wurde, dass eine Stichflamme aus dem Dach brannte, vermutete man vorerst einen Wasserstoffbrand. Diese Diagnose wurde noch gestützt durch den Alarm „Wasserstoffdruck tief“, der sich allerdings später als einer der zahlreichen durch Feuereinwirkung ausgelösten Fehlalarme erwies.» Weiter heisst es im Protokoll:
«Für einige Minuten war nicht klar, wo sich der Maschinist befand, der den Brand zuerst gemeldet hatte. Er hatte das Aufbereitungsgebäude durch den Notausgang verlassen und meldete sich erst 21.40 im Kommandoraum. Im Maschinenhaus befanden sich bei Brandausbruch glücklicherweise keine Leute.»
Der erste Brand in einem AKW erregte weltweit grosse Aufmerksamkeit. Später entwickelte AKW achteten vor allem auf die räumliche Trennung der Sicherheitssysteme nicht nur im Brandfall sondern auch bei interner Überflutung des AKW. Im AKW Gösgen welches erst nach dem Brand im AKW Mühleberg geplant wurde sind einige dieser Konzepte umgesetzt worden. Die komplexen Brandschutzkonzepte umfassen eben auch die Brandschutzklappen welche laut Vorkommnis Bericht nicht mehr richtig schliessen. Nun zeigt sich aber das auch das «jüngere» AKW Alterungsschäden aufweist immerhin sind die Brandschutzklappen bereits Mitte der 70er Jahre verbaut worden.
Was stimmt nicht mit den Brandschutzklappen in Gögsen? Einerseits haben Sie eine veraltete Mechanik, die Schmiermittel sind nicht mehr zureichend, der Auslösemechanismus erkennt Hitze aber nicht Rauch, die Klappen beinhalten krebserregendes Asbest. Zudem haben laut eines Informanten welcher Jahre für das AKW Gösgen gearbeitet hatte etliche der Klappen aufgrund ihres Alters anders als dies vorgeschrieben wäre kein Kennschild haben. Als einzige Alternative erscheint das Auswechseln der Klappen. Jedoch weisen alle Hersteller von Brandschutzklappen daraufhin das die Klappenantriebe auf die Klappen abgestimmt sein müssen. Im AKW Gösgen gibt es hunderte Brandschutzklappen, welche veraltet sind und auf Ihre Funktion hin getestet werden müssten. Im Sinne der vorbeugenden Sicherheitsvorkehrung müssten Sie ersetzt werden. Hier kommt nun das ENSI ins Spiel, zum Vorkommnis im Jahr 2016 heisst es:
«Massnahmen des Betreibers: Die Prüfung, Wartung und Instandhaltung der Brandschutzklappen werden erweitert. Ertüchtigung und Ersatz sind nach Bedarf vorgesehen.»
«Massnahmen des ENSI: Anlässlich einer durch das Vorkommnis ausgelösten Inspektion im April 2017 stellte das ENSI fest, dass die Brandschutzklappen des betroffenen Typs nicht mehr dem heutigen Stand der Technik entsprechen und verlangte vom KKG, ein Konzept für deren Ersatz einzureichen.»
Was ist bis heute geschehen, wir ahnen es. Papier wird zwischen Gösgen und ENSI hin- und herumgeschoben und Konzepte erarbeitet. Das sich in der Zwischenzeit ein Brand entwickeln könnte wird vernachlässigt, das AKW bleibt in Betrieb. Ein Hoffnungsschimmer bleibt, der Verband kantonaler Feuerversicherungen VKF[1] dieser erlässt aufgrund seiner Erfahrungen Normen und Richtlinien für den Brandschutz.
Die Brandschutzrichtlinie 25-15 besagt:
3.8 Brandschutzklappen und Absperrvorrichtungen
3.8.1 Konstruktion und Funktion (siehe Anhang)
1. Brandschutzklappen haben die Ausbreitung von Feuer und Rauch über lufttechnische Anlagen zu verhindern.
2. Brandschutzklappen müssen mindestens Feuerwiderstand EI 30-S aufweisen
3. Brandschutzklappen sind gemäss Leistungserklärung oder VKF-Technischen Auskunft und Herstellerangaben zu befestigen. Sie müssen von aussen kontrollierbar und zugänglich sein.
4. Brandschutzklappen sind mit einem Antrieb und einer thermischen Auslösevorrichtung auszurüsten.
5. Brandschutzklappen müssen beim Ausschalten der lufttechnischen Anlage, beim Ansprechen der thermischen Auslöseeinrichtung sowie bei einem Ausfall des Antriebs selbsttätig schliessen.
6. Brandschutzklappen dürfen nicht als Regulierklappen verwendet werden.
7. Absperrvorrichtungen können je nach Konstruktion und Funktion die Ausbreitung von Feuer und Rauch über lufttechnische Anlagen verhindern. Sie verfügen über keinen Antrieb, welcher ein wiederholtes Öffnen und Schliessen des Absperrelementes ermöglicht.
In der Brandschutznorm 1-15 des VKF steht jedoch auch: «2. bestehende Bauten und Anlagen sind verhältnismässig an die Brandschutzvorschriften anzupassen…»
Da haben wir das Wort wieder, die «Verhältnismässigkeit». Wird hier kein Druck aufgesetzt wird auch das AKW Gösgen mit Mängeln weiterbetrieben werden.
[1] https://www.bsvonline.ch/de/vorschriften/
1999 Gösgen: Gegen Flugzeugabsturz gesichert?
Die Auslegung des AKW Gösgen beruht auf veralteten Flugzeugtypen, neue Flugzeuge sind schwerer! Zudem muss heute von einem Terroranschalg ausgegangen werden, dabei würde ein Flugzeug nicht auf 370km/h abbremsen sondern sein Ziel sicherlich schneller anfliegen!

Obenstehender Textx stammt aus der Stellungnahme der HSK (heute ENSI) zur PSÜ des AKW Gösgen 1999
